冶金显微镜
什么是冶金显微镜?
专门的显微镜设计,旨在查看金属靶标(冶金安装座)的横截面。这些冶金显微镜通常倒转,采用高分辨率物镜镜头,工作距离很短。尽管这些系统可用于此类分析,但它们的应用范围非常有限。
冶金显微镜零件和功能
The main components of a metallurgical microscope are the optical system and the illumination system. The optical system typically consists of:
- 目镜镜头,观察者用来查看图像
- Relay system, which reflects and enlarges the image
- 物镜镜头,从舞台上的样品中摄入图像
照明系统旨在防止眩光从样品表面弹起,并由:
- 高强度的光源
- 冷凝器镜片
- 光圈膜片
- 平面玻璃反射器
- 彩色或两极分化过滤器
在某些情况下,冶金显微镜在目镜上附着相机,以捕获图像进行研究。
冶金显微镜的使用
无论它们是光学的还是数字化的,冶金显微镜几乎都可以在必须观察到光滑金属表面的任何行业或研究领域中使用。这些包括冶金,矿物学和宝石学。制造商还利用数字或光学冶金显微镜检查材料和组件是否有缺陷或磨损的迹象。
Limitations of Metallurgical Microscopes
- 只能自上而下地查看对象
- 最适合在中部到高放大范围内观察
- 左右左右的镜头放大倍数改变,在不断观察目标的同时无法改变
- 添加相机需要安装附件
- Various filters are available to provide multiple observation methods
- 极深的场地,这意味着可能会忽略有缺陷的部分
- 工作距离短,需要在成像之前处理样品
- 复杂操作,要求对用户进行彻底培训
- Eye pieces cause fatigue
从冶金显微镜转换为VHX数字显微镜的原因
1.完全焦点 - 敏锐的关注整个目标
188金宝搏下载app数字显微镜达到至少20倍的视野比光学显微镜大20倍,从而可以准确地观察具有高度不平衡的靶标。
通过冶金显微镜无法实现这种类型的观察,并有助于大大减少聚焦调整所需的时间。
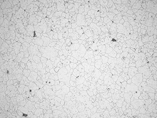
2.晶粒结构 - 快速分析金属表面上的晶粒结构和尺寸
即使从相同的金属中获得不同的机械性能,具体取决于晶体晶粒的形状,尺寸,分布等。因此,可以通过检查这些晶粒的状态来确定机械性能。
3.自动区域测量 - 自动计数高达29,999个颗粒
The VHX Series’ Automatic Area Measurement function has features that make analysis works more efficient. Images and measurement results can be output into a report format within Microsoft Excel with just the click of a button.
4.灵活性和手持模式 - 从任何角度(包括手持式)视图,不要错过其他细节
With Variable-angle Observation capability, digital microscopes can achieve observation from 360-degree angles freely, without having to tilt the target. The VHX Series also offers easy, handheld observation. This means for larger targets, the time required for inspection can be reduced dramatically.
5. 2D和3D测量 - 执行高级测量和分析
轻松执行2D和3D测量。可以使用一种工具执行粗糙度,污染,晶粒尺寸和其他测量结果。数据可以保存和访问以后进行进一步测量。此外,免费通信软件使任何人都可以从自己的PC中使用测量功能。
6. 2D和3D缝线 - 2D/3D图像缝合和粗糙度测量
188金宝搏下载app数字显微镜可以在按钮时产生完全集中的3D显示器。
Three-dimensional data is obtained while the stage is in motion and images are being continuously captured, creating an overall view of the target. Users are also able to measure surface roughness just by drawing a profile line at any location.
7.光子阴影效应模式 - 交付与SEM竞争的图像
使用专门设计以high-resolution HR lens, a 4K CMOS image sensor and illumination technology, KEYENCE has developed a whole new method of microscopy. Minute irregularities on the surface can be detected by analyzing the contrast in an image captured using multi-directional illumination.
8.高级照明 - 从各个方向自动获取照明
By simply pushing the Optimize button, nine different lighting scenarios are displayed.
From there, you can quickly select the image that is ideal for observing your target.

